- 
														
 - 
														
- 
																Tổng tiền thanh toán:
 
 - 
																
 
Top 3 sản phẩm Inax Lavabo giá rẻ nhất tại Inaxbm
								
								Đăng bởi CÔNG TY TNHH THƯƠNG MẠI BÙI MINH
							
							 Thứ Mon,
								
									24/06/2019
								
							Top 3 sản phẩm Inax Lavabo giá rẻ nhất tại Inaxbm
Lavabo inax giá rẻ là sản phẩm nhiều khách hàng muốn mua lavabo rất quan tâm tới, Inax lavabo giá rẻ có chất lượng tốt nhưng không tốn quá nhiều tiền bạc để mua về, và sau khi mua sử dụng vẫn đáp ứng tốt nhu cầu của người dùng.
Chính vì thế rất nhiều khách hàng quan tâm đến việc mua lavabo Inax ở đâu, và muốn biết lavabo Inax rẻ nhất ở đâu, vừa chuẩn chính hãng vừa có giá bán tốt nhất.
Hôm nay Inaxbm (Inax Bùi Minh) xin giới thiệu đến các bạn 3 sản phẩm lavabo Inax rẻ nhất mà Inaxbm đang bán.
- Chậu rửa Lavabo Inax L-280V treo tường cỡ nhỏ
 
- Không bao gồm phụ kiên( vòi, bộ xả...)
 - Chất liệu sứ cao cấp, chống bám bẩn
 - Với đặc tính kháng khuẩn, dễ lau chùi
 - Kích thước (dài x rộng x cao): 400x322x150 mm
 - Màu sắc: Trắng
 - Không bao gồm phụ kiện ( vòi, bộ xả...)
 - Có thể dùng với vòi: LFV222S , LFV-11A , LFV-17
 
Bản vẽ kĩ thuật
Sản phẩm đang bán tại Inaxbm với giá ưu đãi: 380 ngàn đồng
- Chậu rửa Lavabo Inax L-283V treo tường cỡ nhỏ
 
- Chất liệu sứ cao cấp, chống bám bẩn
 - Với đặc tính kháng khẩn, dễ lau chùi
 - Màu sắc: Trắng
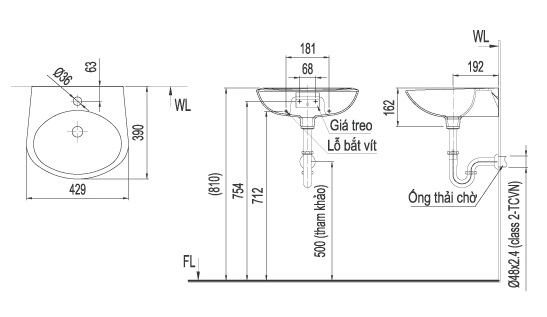
 - Kích thước (DxRxC): 429x390x162 mm
 - Chậu không có lỗ thoát tràn
 - Không bao gồm phụ kiện ( vòi, bộ xả...)
 - Có thể dùng với vòi:LFV222S , LFV-11A , LFV-17
 - Bản vẽ bồn rửa mặt lavabo INAX L283V
 

Bản vẽ kĩ thuật
Sản phẩm đang bán tại Inaxbm với giá ưu đãi: 420 ngàn đồng
- Chậu rửa Lavabo Inax L-282VEC treo tường cỡ nhỏ
 
- Mã sản phẩm: L282VEC
 - Tên sản phẩm: Chậu rửa treo tường 3 lỗ Inax L282VEC
 - Kích thước 41.5 x 20.5 x 44.5 cm
 - Chất liệu: sứ
 - Phủ men bóng, hạn chế vi khuẩn
 - Hãng sản xuất: THIẾT BỊ VỆ SINH INAX
 - Công nghệ: Nhật Bản
 - Sản xuất tại: Việt Nam
 
Sản phẩm đang bán tại Inaxbm với giá ưu đãi: 420 ngàn đồng
3 sản phẩm lavabo inax tuy giá rất rẻ nhưng chất lượng vẫn rất tốt, đáp ứng được nhu cầu của người sử dụng và làm không gian phòng tắm trông sạch sẽ và đẹp hơn.
Với giá thành rẻ, phù hợp với túi tiền của mọi người mua, mua bán cũng dễ dàng tiện lợi không tốn thời gian, lại có thể đặt mua online nếu thích nên sản phẩm inax lavabo có thể đến tay người tiêu dùng một cách nhanh chóng.
Quý khách muốn tham khảo thêm các sản phẩm khác nữa, hoặc mua ngay sản phẩm này, liên hệ ngay:
Công ty TNHH TM Bùi Minh
Đ/c: BT3 Lô 8, KĐT Vinaconex 3, Trung Văn, Nam Từ Liêm, Hà Nội
Website: https://Inaxbm.com
Tel: 04.22130088 - 0968.458.885
Email: hotro@bm8.vn
Fanpage: https://www.facebook.com/bm8.vn
