-
-
-
Tổng tiền thanh toán:
-
Tâm thoát chuẩn cho bồn cầu và cách khắc phục khi đặt ống thoát lệch tâm bạn cần biết
Đăng bởi Nguyen Nhan
Thứ Sat,
29/05/2021
Muốn lắp đặt bồn cầu đúng kỹ thuật thì việc đặt chuẩn tâm thoát là rất quan trọng. Nhưng mọi việc không phải lúc nào cũng thế đôi khi chúng ta gặp phải việc đặt tâm thoát sai kích thước chuẩn. Hoặc do điều kiện trong thi công xây dựng. Vậy cách khắc phục vấn đề này như thế nào ?
Bồn cầu khi lắp đặt cần có đường cấp và đường thoát nước, điều quan trọng nhất cần lưu ý trước khi lắp đặt là đặt tâm ống thoát cho bồn cầu, có hai kiểu thoát chính :
- Bồn cầu thoát ngang gồm có bồn cầu treo tường và bồn cầu đặt sàn thoát ngang
- Bồn Cầu thoát thẳng ống thoát vuông góc với mặt sàn vệ sinh theo phương thẳng đứng.

Tâm ống thoát cho bồn cầu thoát ngang
Đối với bồn cầu thoát ngang sẽ không có một tiêu chuẩn cố định cho việc đặt tâm ống thoát. Mà việc đặt đường ống chờ cho ống thoát bồn cầu này phụ thuộc vào từng mã sản phẩm của từng hãng sản xuất.
Do vậy trước khi thi công đường ống cấp và thoát nước thì chúng ta cần phải có bản vẽ kỹ thuật thi công đường nước. Đây là điều vô cùng quan trọng nếu chúng ta quyết định lắp bồn cầu thoát ngang.

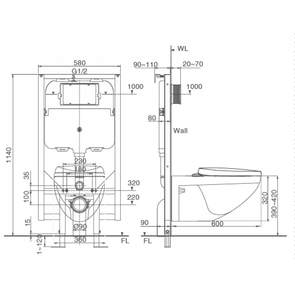
Bản vẽ kỹ thuật bồn cầu Inax AC-23PVN
Đường ống cho bồn cầu thoát ngang thông thường có đường kính phi 900 mm hoặc Phi 110 mm tùy theo yêu cầu kỹ thuật của từng mã sản phẩm.
Cách xử lý trong tình huống ống chờ phi 110 mm mà bồn cầu kỹ thuật là 900 mm:
- Nếu chúng ta bồn cầu ống xả phi 900 mm vào đường ống chờ phi 110 mm. Sẽ xảy ra hiện tượng hút không tốt mất áp suất, xả một lần không hết phân. Còn bị ồn vì có tiếng ộp oạp gây khó chịu.
- Cách khắc phục: Chúng ta dùng cút thu về 900 mm. Nhưng không được đẩy bồn cầu ra so với tường mà vẫn phải đúng bản vẽ. Cách làm như sau: Dùng đầu bị phẳng không làm tăng độ dài ống,sau đó nồng thêm ống 900 mm vào trong lòng ống 110 mm. Sau đó lắp đặt bình thường.

Tâm thoát cho bồn cầu thoát thẳng
Bồn cầu toilet hiện nay thông dụng nhất vẫn là thoát thẳng và tâm ống chờ tiêu chuẩn là 300 mm (+,-) 5 mm. Kích thước này được tính từ tim ống đến bề mặt tường đã hoàn thiện. Đây là tiêu chuẩn chung cho bồn cầu thoát thẳng hiện nay. Đó là điều căn bản mà bất cứ thợ thi công đường nước nào cũng phải biết.
Tuy nhiên cũng có một số ngoại lệ do các lý do khác nhau mà dẫn đến lệch tâm thoát có hai trường hợp:
- Tâm thoát lớn hơn 300mm đây không phải là vấn đề lớn. Vì khi lắp bồn cầu thì két nước không dựa sát vào tường. Nó chỉ ảnh hưởng một chút về không gian và thẩm mỹ
- Tâm thoát nhỏ hơn 300 mm nhưng không nhỏ hơn 120 mm.

Cách khắc phục lỗi tâm thoát nhỏ hơn 300 mm
- Với Tâm thoát có kích thước nhỏ hơn 220 mm và lớn hơn 120 mm. Với kích thước này bình thường sẽ không thể lắp được trừ khi tìm được bồn cầu có tâm thoát tương ứng.
- Cách khắc phục : Chọn bồn cầu có con mèo rời (Cổ ngỗng rời) và có thể thay đổi được tâm thoát. Vừa đến đâu ta cắt tới đó. Trên cổ ngỗng này sẽ có các vòng có thể cắt bỏ để chuyển tâm thoát ngắn đi.
- Hiện nay, thì trường có bán loại ống chỉnh tâm thoát, bạn có thể sử dụng để điều chỉnh.

- Với tâm thoát nhỏ hơn kích thước tiêu chuẩn từ 20 mm đến 40 mm thì chúng ta có thể khắc phục như sau: Cắt ống sát với nền nhà vệ sinh,tạo thành lòng máng để có thể dời tâm thoát. Với cách này chúng ta không nên lạm dụng vì sau này sẽ thoát không được tốt và hay hở mùi. Nên sử lý thật cẩn thận .
- Cắt phần chân, dịch tâm cho cổ ngỗng rời có thể dịch được tâm thoát khoảng 20 mm .
