-
-
-
Tổng tiền thanh toán:
-
Hướng dẫn bạn tự lắp đặt chậu bàn đá âm bàn tại nhà đúng kỹ thuật
Đăng bởi Nguyen Nhan
Thứ Sat,
12/12/2020
Lavabo âm bàn đá là một loại chậu rửa được thiết kế theo kiểu mẫu độc đáo – âm bàn. Tức là khi lắp đặt chậu rửa lavabo sẽ chìm sâu dưới lòng bàn, không nhìn thấy vành của lavabo và bề mặt ngoài của lavabo như lavabo treo tường.
Lavabo âm bàn đá tạo nét thẩm mỹ, sang trọng cho không gian phòng tắm. Một chiếc lavabo âm bàn đá sẽ tạo nên nét sang trọng cho căn phòng của gia đình bạn, nó chính là một điểm nhấn vô cùng đặc biệt. Làm theo các bước dưới đây, bạn sẽ lắp đặt thành công chậu bàn đá âm bàn tại nhà mà không cần gọi thợ nhé.
Bước 1: Kiểm tra bản vẽ kỹ thuật của sản phẩm
Trước khi tiến hành việc lắp đặt, cần kiểm tra bản vẽ kỹ thuật của thiết bị vệ sinh lavabo âm bàn đá trên tài liệu hoặc sổ đi kèm sản phẩm lavabo âm bàn khi bạn mua chúng ở các cửa hàng. Bạn cần kiểm tra các thông số kỹ thuật của các bộ phận như chiều rộng, kích thước của các ống dẫn, thoát nước, các múi nối, chiều sâu, khoảng cách từ mặt đất đến điểm gần nhất của lavabo,…. Những thông số này thường được mô phỏng trên tờ giới thiệu sản phẩm, giúp bạn có thể hình dung được cách lắp đặt.

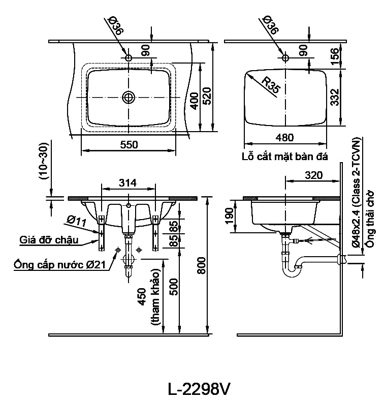
Bản vẽ kỹ thuật của chậu âm bàn Inax L-2298V
Bước 2: Chuẩn bị các dụng bị lắp đặt và vật tư cần thiết
Để lắp Lavabo đúng kỹ thuật nhất, trước kết bạn phải chuẩn bị các thiết bị máy móc như máy khoan đá, thước dây, băng tan, kìm, súng bắn keo nhựa, kéo, máy cắt, cờ lê chiều chỉnh, tua vít đa năng.
Bước 3: Cắt biên dạng lắp đặt chậu trên mặt bàn
Việc lắp đặt có chuẩn xác hay không phụ thuộc vào việc bạn đo đạc chính xác các thông số kỹ thuật của chậu rửa.
Đầu tiên, chọn vị trí lắp đặt Lavabo trên mặt bàn đá bạn cảm thấy phù hợp nhất.

Tiếp theo, bạn đo chiều rộng, chiều dài trên bàn đá phù hợp với kích thước được mô tả trong tờ giới thiệu sản phẩm lavabo âm bàn đá.
Sử dụng phấn hoặc bút chì, bút dạ để đánh dấu theo khuôn mẫu của lavabo âm bàn đá bạn chuẩn bị lắp đặt (có thể dựa vào tờ giới thiệu sản phẩm).
Cuối cùng, dùng máy cắt đá để cắt theo khuôn đã làm dấu. Sau khi cắt xong hãy vệ sinh phần đá thật sạch sẽ bằng khăn hoặc bằng nước.

Bước 4: Lắp đặt lavabo âm lên mặt bàn
Lấy lavabo âm bàn đá ra khỏi hộp rồi đặt Lavabo từ từ theo hướng từ trên mặt bàn xuống (không nên bỏ theo hướng từ dưới bàn đá lên trên), đưa lavabo vào trong phần mặt bàn đá vừa bị cắt bỏ.
Điều chỉnh làm sao cho lavabo không bị gồ ghề, phải nằm yên trên mặt bàn, không bị lỏng.
Bước 5: Lắp đặt vòi Lavabo
Bạn chỉ cần lấy vòi đã có sẵn, lắp đặt theo hướng từ trên lavabo xuyên qua lỗ. Tiếp theo, bạn sẽ lắp dây cấp nước cho vòi lavabo ở phần dưới lavabo là được. Thông thường, người ta lắp vòi lavabo vào phần sứ trước khi đặt vào bàn đá để thuận tiện hơn.

Bước 6: Lắp dây cấp nước và ống thải vào vị trí ông chờ
Dây cấp nước sẽ có hai đầu, một đầu bạn kết nối với vị trí ống cấp nước từ nguồn nước ngoài vào, một đầu kết nối với vòi Lavabo.
Ống thải nước cũng gồm có hai đầu, một đầu sẽ nối với lỗ xả thải ngay giữa lòng đáy của lavabo âm bàn đá, một đầu nối với vị trí ống thải để thải nước ra ngoài.
Như vậy, bạn đã hoàn tất quá trình lắp lavabo âm bàn thành công rồi đấy.
Bạn cần tư vấn hoặc mua chậu đặt bàn Inax chính hãng, hãy liên hệ với chúng tôi để được giá tốt nhất.
- Địa chỉ 1: Số 2 - Phố Xốm - Hà Đông - Hà Nội
- Địa chỉ 2: 285 Lê Trọng Tấn, Hà Đông, Hà Nội.
- Địa chỉ 3: BT3 Lô 8, KĐT Vinaconex 3, Trung Văn, Nam Từ Liêm, Hà Nội.
Hotline: 0968.458.885.
